全国免费服务热线
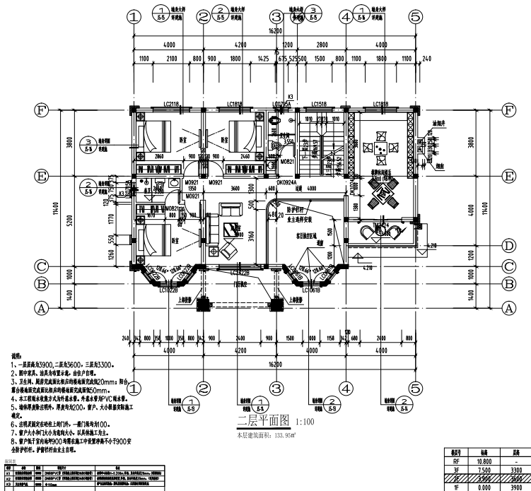
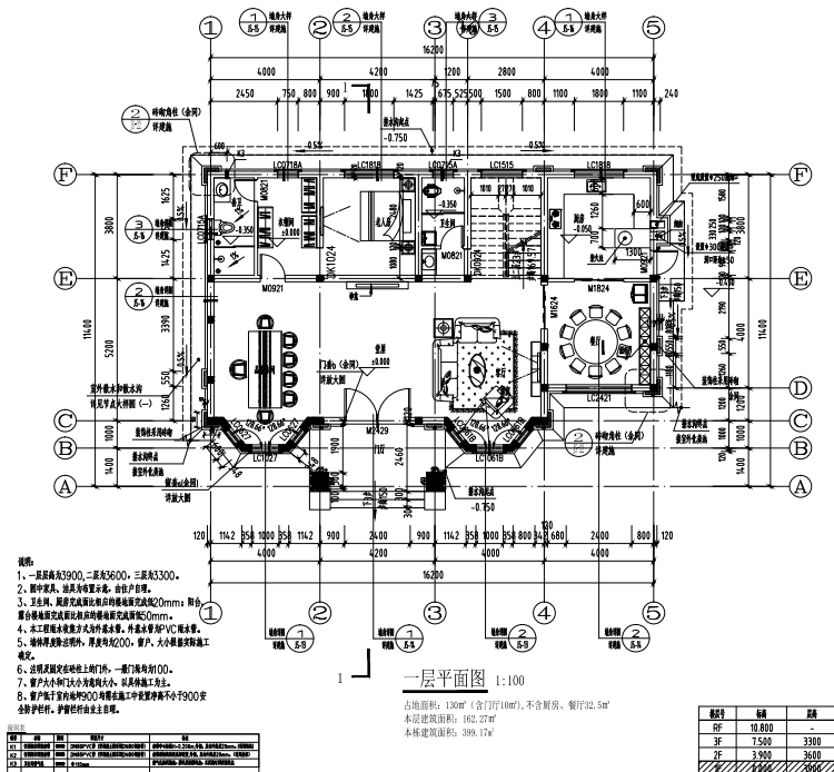
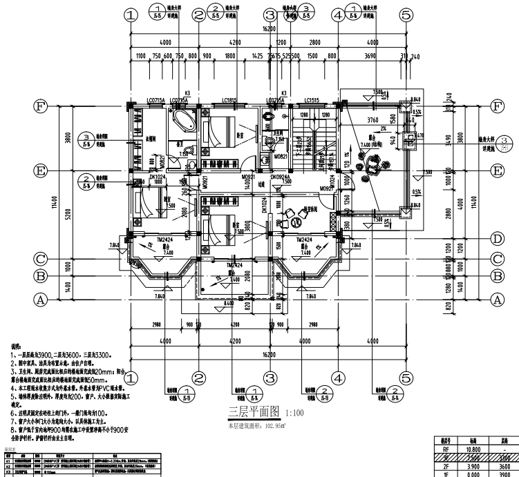
建筑面积:399.17平米 占地面积:162.5平米 占地尺寸:16.2MX11.4M 结构形式:框架结构/砖混结构 建筑层数:3层 外墙装饰:水包砂、文化石等
占地面积:95平米
占地面积:162.5平米
占地面积:249.86平米
占地面积:90平米
渝公网安备 50010702503256号